Erottimet

StopGrease

rasvanerottimet

1-25 l/ s kohteisiin

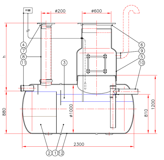
Rasvanerottimia käytetään erottamaan jätevedestä rasvaa ja kasviperäisiä öljyjä. Tämä on tärkeää sillä jäähtyessään rasva kovettuu ja aiheuttaa tukkeumia viemäriputkistossa. Yleisimmin rasvanerottimia tarvitaan: keittiöissä, hotelleissa, ravintoloissa, grilleissä, teurastamoissa, leipomoissa, maito-, liha- ja kalateollisuudessa, sekä muilla toimialoilla, joiden jätevedet sisältävät paljon rasvaa ja kasviperäisiä öljyjä. Rasvanerotuskaivossa vettä kevyempi rasva ja öljypartikkelit jäävät erotuskaivon pintaan ja puhdistettu jätevesi johdetaan eteenpäin. STOPGREASE-rasvanerottimista löytyy sekä maan alle että sisätiloihin sijoitettavia rasvanerottimia. Erottimen koko määräytyy tulevan jätevesikuormituksen mukaan (l/s). Rasvanerotuskaivot täyttävät EN 1825-standardin ja sisältävät sisäänrakennetun hiekka/lietteerottimen. Rasvanerottimet on varustettu anturilla, joka ilmoittaa rasvatilan täyttymisestä.
Sewage cleaners since 1968